產品介紹
【產品用途】
HD7X41X 型 PN6~PN16 液控緩閉止回蝶閥主要用在熱電廠并聯機組和煤氣余熱發電機組上,用以作為保護系統安全得緊急切斷閥門。
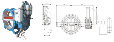
主要外形和連接尺寸
DN | PN | L | L1 | L2 | L3 | L4 | 法蘭連接尺寸 |
400 | 0.6 | 216 | 556 | 1449 | 320 | 440 |
GB/T17241 GB/T9113 |
1.0 | 216 | 556 | 1449 | 330 | 440 | ||
1.6 | 216 | 556 | 1449 | 345 | 440 | ||
450 | 0.6 | 222 | 556 | 1449 | 370 | 440 | |
1.0 | 222 | 556 | 1449 | 380 | 440 | ||
1.6 | 222 | 580 | 1449 | 395 | 490 | ||
500 | 0.6 | 229 | 580 | 1449 | 400 | 440 | |
1.0 | 229 | 580 | 1449 | 410 | 490 | ||
1.6 | 229 | 580 | 1449 | 425 | 490 | ||
600 | 0.6 | 267 | 580 | 1449 | 440 | 490 | |
1.0 | 267 | 580 | 1449 | 460 | 490 | ||
1.6 | 267 | 625 | 1820 | 470 | 490 | ||
700 | 0.6 | 292 | 625 | 1449 | 436 | 490 | |
1.0 | 292 | 625 | 1820 | 550 | 545 | ||
1.6 | 292 | 625 | 1820 | 570 | 545 | ||
800 | 0.6 | 318 | 625 | 1820 | 625 | 490 | |
1.0 | 318 | 625 | 1820 | 640 | 545 | ||
1.6 | 318 | 625 | 1820 | 660 | 545 | ||
900 | 0.6 | 330 | 625 | 1820 | 700 | 545 | |
1.0 | 330 | 625 | 1820 | 710 | 545 | ||
1.6 | 330 | 675 | 1820 | 725 | 610 | ||
1000 | 0.6 | 410 | 625 | 1820 | 760 | 610 | |
1.0 | 410 | 675 | 1820 | 770 | 610 | ||
1.6 | 410 | 675 | 2180 | 790 | 610 | ||
1200 | 0.6 | 470 | 675 | 1820 | 875 | 610 | |
1.0 | 470 | 675 | 2180 | 890 | 610 | ||
1.6 | 470 | 729 | 2180 | 915 | 720 | ||
1400 | 0.6 | 530 | 729 | 2180 | 1000 | 720 | |
1.0 | 530 | 729 | 2180 | 1020 | 720 | ||
1.6 | 530 | 781 | 2180 | 1045 | 960 | ||
1600 | 0.6 | 600 | 781 | 2180 | 1120 | 720 | |
1.0 | 600 | 781 | 2180 | 1140 | 960 |
【結構圖片】

更多產品