產品介紹
【產品用途】
J41F4-16、J41F46-16 型襯氟截止閥適用在 -50~150℃ 的各種濃度的王水、流酸、鹽酸、氫氟酸和各種有機酸、強酸、強氧化劑,還適用于各種濃度的強堿有機溶劑以及其它腐蝕性氣體,液體介質的管路上使用。
【執行標準】
設計規范:GB/T 12233 GB/T 12235
結構長度:GB/T 12221
連接法蘭:JB/T 78 JB/T 79
試驗與檢驗:GB/T 13927
產品標識:GB/T 12220
供貨規范:JB/T 7928
【性能規范】
襯里、閥座
|
適用溫度(℃)
|
適用介質
|
PTFE(F4)
|
≤180
|
除熔融堿金屬、元素氟外的各種濃度的酸、堿、鹽、王水、有機酸等強腐蝕性介質
|
PCTFE(F3)
|
≤120
|
|
FEP(F46)
|
≤150
|
|
PFA(可熔性F4)
|
≤180
|
|
PVDF(F2)
|
≤100
|
|
RPTFE(RF4)
|
≤180
|
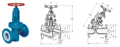
主要外形和連接尺寸
規格 | L | D | D1 | D2 | f | b | n-d | D0 | H | H1 | |
DN | NPS | 1.0MPa | |||||||||
15 | 90 | 95 | 65 | 45 | 2 | 14 | 4-14 | 100 | 240 | 265 | |
20 | 95 | 105 | 75 | 55 | 2 | 16 | 4-14 | 100 | 245 | 270 | |
25 | 1 | 100 | 115 | 85 | 65 | 2 | 16 | 4-14 | 120 | 250 | 275 |
32 | 1 | 105 | 135 | 100 | 78 | 2 | 18 | 4-18 | 120 | 260 | 290 |
40 | 1 | 115 | 145 | 110 | 85 | 3 | 18 | 4-18 | 140 | 290 | 325 |
50 | 2 | 125 | 160 | 125 | 100 | 3 | 20 | 4-18 | 140 | 300 | 335 |
65 | 2 | 145 | 180 | 145 | 120 | 3 | 20 | 4-18 | 160 | 355 | 400 |
80 | 3 | 155 | 195 | 160 | 135 | 3 | 22 | 4-18 | 160 | 400 | 450 |
100 | 4 | 175 | 215 | 180 | 155 | 3 | 22 | 8-18 | 180 | 455 | 495 |
125 | 5 | 200 | 245 | 210 | 185 | 3 | 24 | 8-18 | 180 | 530 | 560 |
150 | 6 | 225 | 280 | 240 | 210 | 3 | 24 | 8-23 | 240 | 605 | 650 |
200 | 8 | 275 | 335 | 295 | 265 | 3 | 26 | 8-23 | 240 | 650 | 770 |
250 | 10 | 325 | 390 | 350 | 320 | 3 | 28 | 12-23 | 280 | 680 | 800 |
300 | 12 | 375 | 440 | 400 | 368 | 4 | 28 | 12-23 | 280 | 710 | 835 |
1.6MPa | |||||||||||
15 | 90 | 95 | 65 | 45 | 2 | 14 | 4-14 | 100 | 240 | 265 | |
20 | 95 | 105 | 75 | 55 | 2 | 16 | 4-14 | 100 | 245 | 270 | |
25 | 1 | 100 | 115 | 85 | 65 | 2 | 16 | 4-14 | 120 | 250 | 275 |
32 | 1 | 105 | 135 | 100 | 78 | 2 | 18 | 4-18 | 140 | 260 | 290 |
40 | 1 | 115 | 145 | 110 | 85 | 3 | 18 | 4-18 | 140 | 290 | 325 |
50 | 2 | 125 | 160 | 125 | 100 | 3 | 20 | 4-18 | 160 | 300 | 335 |
65 | 2 | 145 | 180 | 145 | 120 | 3 | 20 | 4-18 | 180 | 355 | 400 |
80 | 3 | 155 | 195 | 160 | 135 | 3 | 22 | 8-18 | 240 | 400 | 450 |
100 | 4 | 175 | 215 | 180 | 155 | 3 | 24 | 8-18 | 240 | 455 | 495 |
125 | 5 | 200 | 245 | 210 | 185 | 3 | 26 | 8-18 | 280 | 530 | 560 |
150 | 6 | 225 | 280 | 240 | 210 | 3 | 28 | 8-23 | 320 | 605 | 650 |
200 | 8 | 275 | 335 | 295 | 265 | 3 | 30 | 8-23 | 360 | 650 | 770 |
2.5MPa | |||||||||||
15 | 90 | 95 | 65 | 45 | 2 | 16 | 4-14 | 120 | 245 | 270 | |
20 | 95 | 105 | 75 | 55 | 2 | 16 | 4-14 | 120 | 250 | 275 | |
25 | 1 | 100 | 115 | 85 | 65 | 2 | 16 | 4-14 | 140 | 260 | 290 |
32 | 1 | 105 | 135 | 100 | 78 | 2 | 18 | 4-18 | 140 | 290 | 325 |
40 | 1 | 115 | 145 | 110 | 85 | 3 | 18 | 4-18 | 160 | 300 | 335 |
50 | 2 | 125 | 160 | 125 | 100 | 3 | 20 | 4-18 | 180 | 355 | 400 |
【結構圖片】

精心締造,優質品質!!! www.lvelan.cn 瑞奇閥門
更多產品